KLANG | SHAH ALAM | PUCHONG | SUBANG | KL SELANGOR | PENANG | MELAKA | JOHOR MALAYSIA | SINGAPORE | THAILAND | JAPAN | US | GERMANY | AUSTRALIA | ITALY
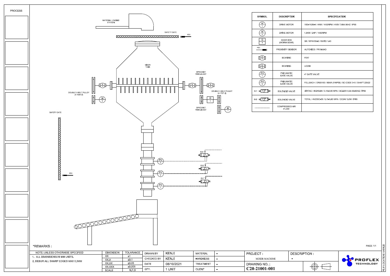
MACHINE DESIGN
&
ENGINEERING DRAWING
KLANG SHAH ALAM PUCHONG SUBANG KL SELANGOR PENANG MELAKA JOHOR MALAYSIA SINGAPORE THAILAND JAPAN US GERMANY AUSTRALIA ITALY
DESCRIPTION
Proflex Technology (M) Sdn. Bhd. is manufacturer with providing services in machine design and engineering drawing. We are expertise to support our esteem client machine design and engineering drawing..
WE OFFER DESIGN AND DRAWING AS BELOW
- Machine Design
- Jig & Fixture Design
- Reverse Engineering
- Mechanical Design
- Custom Design
- P&ID Drawing
- ETC
SUPPORTING REGION
MALAYSIA
- Klang
- Shah Alam
- Puchong
- Subang Jaya
- Petaling Jaya
- Balakong
- Selangor
- Kuala Lumpur (KL)
- Pulau Pinang (Penang)
- Johor
OVERSEA COUNTRIES
- Singapore
- Thailand
- Indonesia
- Other Countries
REQUEST A QUOTE NOW!
Let’s connect to us and get our quote!
We are the right Engineering Design & Drawing partner that you are looking for,
As we committed to provide high quality of Machine Design & Engineering Drawing Services with reasonable price.




















